XCF air inflation flotation cell

XCF air inflation flotation cell
Introduction

An air inflation mechanical agitation flotation cell with slurry suction(as suction cell of KYF flotation cell)

Effective Volume

1~38m3

Product Improvement

The features of structure and performance of the cell is similar to KYF flotation cell. The difference is that there is a stator specially set above the impeller to form a special negative pressure area. It has the function of automatic suction slurry with a little higher energy consumption.

♦  Advantages

Strong agitation force; simple structure

Air spreading well; uniform mixing of slurry and air

Less sedimentary of tailings and Low turnaround speed and low power consumption

It can be combined with model KYF as a flotation cell set, working as suction cell.

♦  Work Principle

When the flotation machine works, the motor drives the impeller to revolve, so the centrifugal effect and negative pressure are produced. On one hand, ample air is absorbed and mixed with mineral slurry, on the other hand, the mixed mineral slurry is mingled with additive, meanwhile, the foams are thinning, the mineral is bounded with foams, and floats up to the surface of mineral slurry and the mineralized foam is formed. The liquid surface can be adjusted with the height of adjustment flashboard, so that the useful foams are scraped with squeegee.

♦  Product Structure

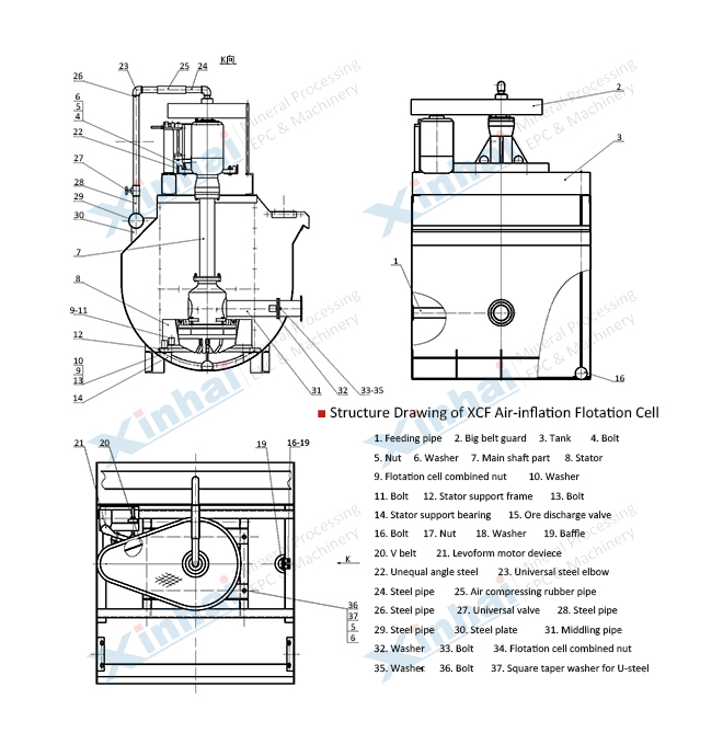
XCF air inflation floatation cell structure is composed of tank, large isolation plate impeller with top and bottom blades, seat stator radial blade, split disc cover, split center tube, connecting tube with air-bleed hole, bearing body, hollow main shaft and the air adjustable valve. Deep groove body with open and closed two structures; the bearing body with seat and hanging type

KYF air inflation floatation cell is applied in roughing and scavenging of large and middle scale dressing plant aiming to non-ferrous metal, ferrous metal and nonmetal minerals.

Products Detailed Parameters>>

♦ Related Products