KYF Air Inflation Flotation Cell

KYF Air Inflation Flotation Cell
Introduction

An air-inflation mechanical agitation floatation cell without slurry suction(This type of cell is designed referring to Finland Autoquenpu OK floatation cell)

Effective Volume

1~38m3

Product Improvement

Taper impeller with its blades sloping backward at certain angle, simple structure, strong agitation ability, and low energy consumption

The impeller is equipped with holey cylinder air allocator. The air scattering is uniform and the mixing effect of air and slurry is good

U-shaped tank, little sedimentation of sand

♦  Advantages

Low energy consumption, 30-50% savable

Solid particles can be fully suspended; high flotation index

Long service life of vulnerable parts

Mechanical agitation; non-automatic air and slurry suction; ladder is necessary during processing

It can be combined with model XCF as a flotation cell set, working as direct flow cell

♦  Work Principle

When the flotation machine works, the motor drives the impeller to revolve, so the centrifugal effect and negative pressure are produced. On one hand, ample air is absorbed and mixed with mineral slurry, on the other hand, the mixed mineral slurry is mingled with additive, meanwhile, the foams are thinning, the mineral is bounded with foams, and floats up to the surface of mineral slurry and the mineralized foam is formed. The liquid surface can be adjusted with the height of adjustment flashboard, so that the useful foams are scraped with squeegee.

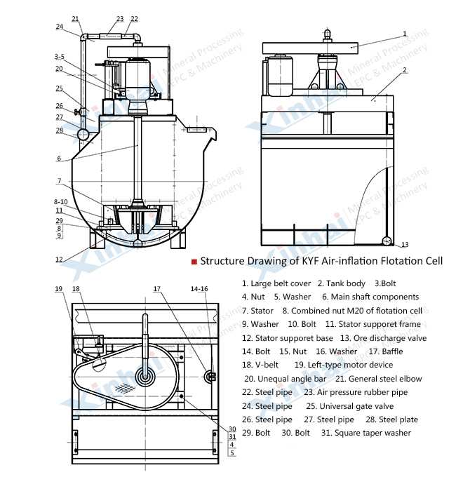
♦  Product Structure

KYF air inflation floatation cell has U tank floatation cell and column flotation cell which is composed of impeller, stator, main shaft, bearing body, air adjusting valve, and tank body.

KYF air inflation floatation cell is applied in roughing and cleaning of large and middle scale dressing plant aiming to non-ferrous metal, ferrous metal and nonmetal minerals. The range of feeding particle size is 0.3~0.01mm (-0.0074mm contents > 50%)

Products Detailed Parameters>>

♦ Related Products